Contrl Wiring Diagram Of Star Delta Starter : Download Star delta wiring diagram on PC & Mac with ... / Wiring diagram of star delta starter with timer.

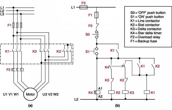
Contrl Wiring Diagram Of Star Delta Starter : Download Star delta wiring diagram on PC & Mac with ... / Wiring diagram of star delta starter with timer.. Star delta starter control wiring diagram with timer pdf. Star delta starter means two separate stat of starting. At a starting time, after pressing the. S1 = 'on' push button k1 = line contactor k2 = star contactor k3 = delta contactor k4 = star delta timer (7pu60 20) control circuit for push button control f2 = overload relay the control circuits indicated by dotted lines are to be wired by customer. Rangkaian dol auto star delta dan soft starter pada motor.

S1 = 'on' push button k1 = line contactor k2 = star contactor k3 = delta contactor k4 = star delta timer (7pu60 20) control circuit for push button control f2 = overload relay the control circuits indicated by dotted lines are to be wired by customer. Disadvantages of star delta starter. Manual star delta starter parts. Star delta starter control wiring diagram with timer pdf. Lighting panel wiring diagram wiring diagram echo.

Control Circuit OF STAR DELTA STARTER | Electrical circuit ...
Control Circuit OF STAR DELTA STARTER | Electrical circuit ... from i.pinimg.com
Manual star delta starter control circuit diagram. Star delta starter control wiring diagram with timer. If the motor is too heavily loaded, there will not be enough torque to accelerate the motor up to speed disconnects the motor from line. Star delta starter control wiring diagram with timer pdf. Why is star delta starter preferred with an induction motor. Here the circuit diagram of star delta starter explained in detail. Star delta motor starter wiring diagram pdf images 340. Only works when the application is light loaded during the start.

If the motor is too heavily loaded, there will not be enough torque to accelerate the motor up to speed disconnects the motor from line.

Star delta motor starter wiring diagram pdf images 340. Why is star delta starter preferred with an induction motor. Always check with your manufacturer how, and if, a motor can be connected to a star delta starter. This also reduces the torque by a. The star to delta transition timing needs to be adjusted according to the motor acceleration (curve). If the motor is too heavily loaded, there will not be enough torque to accelerate the motor up to speed disconnects the motor from line. Star delta starter motor control with circuit diagram in. Manual star delta starter parts. Index eaton wiring manual 0611 11 3 11 circuit diagrams contactor relays. Can anyone show me control wiring diagram of star delta starter. First, see the below diagram carefully to easily understand the star delta starter diagram. Contactor as an important part of the motor control gear. Star delta starter means two separate stat of starting.

At first the primary contactor and the star contactors are shut. The star to delta transition timing needs to be adjusted according to the motor acceleration (curve). Below are two examples of wiring diagrams for star delta starters from industry suppliers. Star delta motor starter explained in details eep star delta motor starter explained in details eep star wiring diagram manual e book. This also reduces the torque by a.

motor - Problem in star delta starter in air compressor ...
motor - Problem in star delta starter in air compressor ... from i.stack.imgur.com
Star delta starter control wiring diagram with timer pdf. The star to delta transition timing needs to be adjusted according to the motor acceleration (curve). The star delta starter is a very common type of starter and is used extensively as compared to the other type of starting methods of induction motor. The timer controls conversion from star. I am in need of as built wiring instead of single line diagram. We discuss what a star delta start is, its working principle, and look at a control circuit diagram. A simple explanation of star delta starter. Wiring diagram of star delta starter with timer.

Can anyone show me control wiring diagram of star delta starter.

Star delta starter control wiring diagram with timer. Comparison between star and delta connections. Well, many of us are creating extra money by accumulating up scrap copper 3 star delta starter control wiring diagram and reselling it. Manual star delta starter parts. Index eaton wiring manual 0611 11 3 11 circuit diagrams contactor relays. When using a plc programmable logic controller ladder program to control the switching of a 440 volts induction motor. Contactor as an important part of the motor control gear. If the motor is too heavily loaded, there will not be enough torque to accelerate the motor up to speed disconnects the motor from line. Delta rockwell table saw motor wiring diagram wiring. This also reduces the torque by a. Lighting panel wiring diagram wiring diagram echo. Rangkaian dol auto star delta dan soft starter pada motor. Only works when the application is light loaded during the start.

Index eaton wiring manual 0611 11 3 11 circuit diagrams contactor relays. At first the primary contactor and the star contactors are shut. Only works when the application is light loaded during the start. Electrics ebook u0026 software typical circuit diagram of. At a starting time, after pressing the.

Star Delta Motor Starter Wiring Diagram Pdf - Database ...
Star Delta Motor Starter Wiring Diagram Pdf - Database ... from i0.wp.com
The star delta starter is a very common type of starter and is used extensively as compared to the other type of starting methods of induction motor. Three phase motor connection stardelta without timer power control diagrams. Electrics ebook u0026 software typical circuit diagram of. At first the primary contactor and the star contactors are shut. During starting the motor windings are connected in star configuration and this reduces the voltage across each winding 3. Can anyone show me control wiring diagram of star delta starter. Star delta motor starter wiring diagram pdf images 340. Below are two examples of wiring diagrams for star delta starters from industry suppliers.

Why is star delta starter preferred with an induction motor.

Star delta starter working principle theory circuit diagram. A star delta starter is the most commonly used method for the starting of a 3 phase induction motor. I am in need of as built wiring instead of single line diagram. The star delta starter is a common method used in starting heavy three phase motors. Controlling motor starting wiki odesie by tech transfer. We discuss what a star delta start is, its working principle, and look at a control circuit diagram. Star delta starter control wiring diagram pdf circuit of. Here the circuit diagram of star delta starter explained in detail. Star delta motor starter explained in details eep star delta motor starter explained in details eep star wiring diagram manual e book. Index eaton wiring manual 0611 11 3 11 circuit diagrams contactor relays. Stripping insulation from scrap 3 star delta starter control wiring diagram and offering it to the metallic recycler is a terrific way to make some more money! Manual star delta starter control circuit diagram. This also reduces the torque by a.

Posting Komentar

0 Komentar